怀念旧版

 有事您Q我  点击这里给我发消息  点击这里给我发消息  点击这里给我发消息

      

首页 | 教学管理 | 阳光概况 | 成功学子 | 就业导航 | 技术园地 | 精锐师资 | 技术专业 | 学子心声 | 招生资讯 | 阳光资讯 | 函授教学
 
新型彩电常用的七种遥控系统原理分析与检修(中)
 
 

javascript:window.open(this.src);" style="cursor:pointer;" onload="javascript:if(this.width>600)this.style.width=600;" />

(9)脚输出蓝屏同步控制电压,送至 N501(TA8880AN)(63)脚,使在无信号状态时,能稳 定地显示蓝屏图案。
(10)脚输出重低音开关控制电压,高电平时重低音开启;低电平时重低音关闭。(10)脚 的控制电压只对设有重低音功能的机型有效。
(11)、(12)脚输出波段控制电压,送至 LA7910,经 LA7910 译码后控制调谐器的工作波 段。当(11)、(12)脚均为低电平时,调谐器工作于 VL 波段;当(11)脚为高电平,(12)脚为低 电平时,调谐器工作于 VH 波段;当(11)脚为低电平,(12)脚为高电平时,调谐器工作于 U 波段。
(13)脚为  AFT  电压输入端,AFT  电压由中频板送来,经  VQA01  射随后送至  CPU(13)
脚,为 CPU 提供调谐准确度信息。
(14)脚为键控指令输入端,外接 4 个控制按键,每按一个键,都会得到一个相应的电压 输入。该电压经 CPU 内部电路处理后,完成相应操作。
(15)、(16)、(17)及(18)脚输出伴音制式控制电压。当(15)脚为高电平时,对应 B/G 制; 当(16)脚为高电平时,对应 I 制;当(17)脚为高电平时,对应 D/K 制;当(18)脚为高电平时, 对应 M 制。
(34)脚输出待机控制电压,正常工作时,(34)脚输出低电平(0V),待机时(34)脚输出高电 平(5V)。
(36)脚为电台识别信号输入端。VQA11 及周边元件构成同步分离电路,它能将http://www.haojdwx.cn/Article/ShowInfo.asp?InfoID=790'>视频信号 中的同步头分离出来,并经微分后送至 VQA10,经 VQA10 倒相放大后送至 CPU(36)脚。只
 
要 CPU(36)脚有足够幅度的同步信号输入,CPU 就判断为有节目,否则,判断为无节目。
(37)、(38)脚分别输出静音控制电压和外部静音控制电压,送至音频处理电路。在搜台、 更换频道、无信号及人工静音时,(37)、(38)脚输出高电平,使音频电路处于静音状态。在 正常工作状态下,这两脚均输出低电平。
(39)、(40)脚为 I2C http://www.haojdwx.cn/Article/ShowClass.asp?ClassID=3'>总线控制端子,CPU 通过 I2C http://www.haojdwx.cn/Article/ShowClass.asp?ClassID=3'>总线来实现本机的绝大多数控制功能。 RA74 和 RA75 为http://www.haojdwx.cn/Article/ShowClass.asp?ClassID=3'>总线的上拉电阻,用以确保 CPU 的http://www.haojdwx.cn/Article/ShowClass.asp?ClassID=3'>总线输出端得到供电。http://www.haojdwx.cn/Article/ShowClass.asp?ClassID=3'>总线上共挂有 7 个被控器件,分别是存储器(NA02)、小信号处理器(N501)、枕形校正电路(N302)、丽音处理 电路(NG01)、音频处理电路(NS01)、TV/AV 切换电路(NV01)及图文解码电路(N1201)。其 中,存储器直接挂在http://www.haojdwx.cn/Article/ShowClass.asp?ClassID=3'>总线上,而其他被控器件经隔离电路与http://www.haojdwx.cn/Article/ShowClass.asp?ClassID=3'>总线相连。隔离电路由 VQA13、 VQA14  组成。使用隔离电路具有两大优点,一是可增强http://www.haojdwx.cn/Article/ShowClass.asp?ClassID=3'>总线的带负载能力;二是可以防止 被控电路出现故障而引起http://www.haojdwx.cn/Article/ShowClass.asp?ClassID=3'>总线电压升高时损坏 CPU。
(41)脚输出图文复位电压,(4)脚输出图文开关控制电压,此二脚的控制电压只对带有图
文模块的机型有效。
另外,(3)脚(音量控制)、(19)脚(测试信号输出)及(20)脚(50Hz/60Hz  场频控制)一般未 用,其外部未接任何电路。
其余引脚的控制功能及外围电路与 TCL-2901 系列彩电遥控系统的对应电路相同,故不 再重述。只不过在http://www.haojdwx.cn/Html/guochan/Class223/223_Index.html'>海信 H97B 机心中,三基色字符信号及字符消隐信号要先送到 NF01,与 图文三基色信号进行切换后再送到小信号处理器 TA8880AN。
2.I2C http://www.haojdwx.cn/Article/ShowClass.asp?ClassID=3'>总线调整方法
在 TV 状态下,先按遥控器上的“图文”键,冉按"TV/AV"键, 后按“8、8、8、0” 数字键,屏幕右上角显示字符“M”,表明电视机已进入http://www.haojdwx.cn/Article/ShowInfo.asp?InfoID=792'>维修模式。在http://www.haojdwx.cn/Article/ShowInfo.asp?InfoID=792'>维修模式下,利用遥 控器上的有关按键可进入不同的菜单,具体情况如下:
按“中文”键后,再按“声音控制”键,就可进入工厂调整菜单 1(FACTORY1);按“中 文”键后,再按“重低音控制”键,就可进人工厂调整菜单 2(FACTORY2);按“中文”键 后,再按“环绕声控制”键,就可进人工厂调整菜单 3(FACTORY3);按“中文”键后,再 按“声音模式选择”键,就可进人工厂调整菜单 4(FACTORY4);按“中文”键后,再按遥 控器上“定时关机”键,就可进人工厂调整菜单 5(FACTORY5)。
进入某菜单后,用遥控器上“频道增/减”键,可选择调整项目,用“音量增/减”键,
可调整http://www.haojdwx.cn/Soft/ShowClass.asp?ClassID=62'>数据。调整完毕遥控关机,就可退出http://www.haojdwx.cn/Article/ShowInfo.asp?InfoID=792'>维修模式。
3.故障检修实例
[例 1]自动搜索节目时能搜出节目,但不能存储。 不能存储节目,说明存储节目的条件不具备,应重点检查  CPU(36)脚有无电台识别信号
输入,及 CPU(13)脚有无 AFT 电压输入。在自动搜索时,测 CPU(13)脚电压摆幅很小(正常 时,应有 0.5V~4.5V 的摆幅),说明 AFT 电压不正常。测 VQA01b 极,电压摆幅也很小。 检查中频板,发现中频 VCO 线圈中的内附电容漏电,更换 VCO 线圈后故障排除。
[例 2)无图无声,但各项践作正常。
因遥控系统能进行各项践作,说明 CPU 工作正常。先进行全自动搜索,发现屏幕上能出 现很浓的雪花点,调谐进度指示也正常,但搜索不到节目,故怀疑调谐电压不正常。测 CPU(2) 脚电压,在自动搜索状态下(2)脚电压能从 5V 变到 OV。由此可知,CPU 已输出了调谐控制 电压.接着测调谐器的 VT 端子,在白动搜索时 VT 端子的电压不变,保持在 0V 左右,查 VQA05 及周边元件,RA02 开路,更换 RA02 后故障排除。
三、飞利浦遥控系统
飞利浦遥控系统是以 P8×C×66 系列芯片为 CPU 而构成的,常用来管理 TDA8841/8842
/8843/8844 或 OM8838/8839 等小信号处理器。目前,这种遥控系统在http://www.haojdwx.cn/Html/guochan/Class223/223_Index.html'>海信http://www.haojdwx.cn/Html/guochan/Class199/199_Index.html'>康佳、厦
 
华、http://www.haojdwx.cn/Html/guochan/Class200/200_Index.html'>创维彩电中得到广泛应用。
(一)CPU 介绍
P8×C×66 系列芯片是飞利浦公司推出的,专供门http://www.haojdwx.cn/Article/ShowClass.asp?ClassID=3'>总线彩电使用的单片 8 位微处理器, 该系列 CPU 的主要型号有 P83C266、P83C366、P83C566、P83C766 和 P87C766 等。这些 芯片的内部结构基本相同,仅内部存储器的容量不同。目前,数码彩电中  P83C266  的应用 更广泛。
P8×C×66 系列芯片内含一个 80C51  CPU,两个 16 位定时器/计数器及一个 8 位看门
狗定时器,8 路 7 位数/模变换器,1 路 14 位数/模变换器,3 路 4 位模/数变换器及一些
FO 端口。对于 P83C266 而言,其内部 ROM 容量为 24kB,RAM 容量为 512B。P87C766 内 部未设 ROM,但设有 EPROM,容量为 64kB,RAM 容量为 2kB。P8×C×66 系列芯片采
用 42 脚双列封装形式,如图 7 所示。其 I/O 端口的具体控制功能可由厂家编程进行设定。

javascript:window.open(this.src);" style="cursor:pointer;" onload="javascript:if(this.width>600)this.style.width=600;" />

(二)飞利浦遥控系统在http://www.haojdwx.cn/Html/guochan/Class223/223_Index.html'>海信 TDA884×机心中的应用
1.电路分析
http://www.haojdwx.cn/Html/guochan/Class223/223_Index.html'>海信  TDA884×机心广泛采用飞利浦遥控系统,CPU  选用  P83C266,掩膜后命名为 MTV880。由于  MTV880  全面采用  I2C  http://www.haojdwx.cn/Article/ShowClass.asp?ClassID=3'>总线控制技术,故外围电路比较简单。下面以http://www.haojdwx.cn/Html/guochan/Class223/223_Index.html'>海信 TC2985A 彩电为例,来分析这种遥控系统的工作过程,参考图 8。

javascript:window.open(this.src);" style="cursor:pointer;" onload="javascript:if(this.width>600)this.style.width=600;" />

CPU(1)脚输出调谐控制电压,经 V701 倒相放大后,再由三级 RC 积分网络进行滤波得
到直流电压,送至调谐器的 TU 端,用来选取频道。
(2)脚为 TV/AV 控制端;(3)脚为交流关机控制端;(4)脚为 S1 端子切换控制端;(5)脚
为 PAL N/M 制式控制端;(6)脚为http://www.haojdwx.cn/Article/ShowInfo.asp?InfoID=790'>视频信号识别输出端;(7)脚为 S2 端子切换控制端;(8)脚
为 NTSC 制控制端。由于本机未使用(2)~(8)脚的控制功能,故将这些引脚全部接地。
(9)、(10)脚为本机键盘控制指令输入端,本机六个控制键全部接在(9)脚外部,(10)脚经 一上拉电阻接在电源上,以确保其为高电平。
(11)脚为过流保护检测端,正常工作时,VD565、VD566 及 VD567 均处于截止状态,(11) 脚保持高电平。当某路电源负载对地短路时,该路电源电压下降至  0V。从而使  VD565  或 VD566 或 VD567 导通,(11)脚变为低电平,CPU 内部保护电路动作,并从(41)脚输出待机 控制电压,机器进入待机状态。此时,用遥控器也不能开机。
(12)脚为音量控制端;(13)、(14)脚为伴音制式控制端,本机未用这三脚的控制功能。音
量控制及伴音制式控制均由 I2C http://www.haojdwx.cn/Article/ShowClass.asp?ClassID=3'>总线来完成。
(15)脚为静音控制端,正常工作时,(15)脚为高电平,VD770  截止,伴音功放集成块
N161(1)、(7)脚保持高电平,N161 处于正常丁作状态。在搜索节目、无信号或人工静音时,
(15)脚输出低电平,VD770  导通,N161(1)、(7)脚变为低电平,从而使  N161  无信号输出, 处于静音状态。
(16)脚输出指示灯驱动电压,正常工作时,(16)脚为高电平,指示灯发光较弱。待机时,
(16)脚为低电平,指示灯发光较强,以作待机指示。
 
(17)、(18)脚输出波段控制电压,经 LA7910 处理后,得到 BL、BH 及 BU 控制电压, 分别送到调谐器的相应端子,控制调谐器的工作波段。当(17)脚和(18)脚均为低电平时,调 谐器丁作于 VL 波段;当(17)脚为高电平,(18)脚为低电平时,调谐器工作于 VH 波段;当(17) 脚为低电平、(18)脚为高电平时,调谐器工作于 U 波段。
(19)、(20)脚分别输出 AV1 和 AV2 控制电压,当工作于 AV1 状态时,(19)脚为高电平;
当工作于 AV2 状态时,(20)脚为高电平。
(22)、(23)和(24)脚输出三基色字符信号,经缓冲后送至末级视放。(25)脚输出字符消隐 信号,送至小信号处理器 N301(26)脚。当有字符时,字符消隐信号为高电平,此时 N301 禁 止图像 RGB 信号的输出;当无字符显示时,字符消隐信号为低电平,此时 N301 能输出图
像 RGB 信号。由于字符消隐信号的控制作用,使字符信号插入到http://www.haojdwx.cn/Article/ShowInfo.asp?InfoID=790'>视频信号的相应位置。
(26)、(27)脚分别输入行、场逆程脉冲,以对字符显示进行定位,使字符能显示在扫描 正程。MTV880 无需外接字符时钟振荡网络,字符时钟振荡网络完全集成在内部。
(28)、(42)脚为  CPU  的供电端子,其中(28)脚主要给内部模拟电路供电,(42)脚给内部 数字电路供电。
(31)、(32)脚外围接 12MHz 晶振,以产生 CPU 丁作时所需的时钟信号。
(33)脚为复位端,采用高电平复位方式。开机时,因+5V 电源尚未上升到足够值,VD703 截止,V705 也截止,(33)脚为高电平,CPU 开始复位,各输出端口清零。当+5V 电压上升 到稳定值时,VD703 导通,V705 饱和导通,(33)脚变为低电平,复位过程结束,CPU 从初 始状态开始执行程序。
(34)脚为 50Hz/60Hz 场频控制端.本机未用,场频控制由 I2C http://www.haojdwx.cn/Article/ShowClass.asp?ClassID=3'>总线来完成。(35)、(36)
脚为 AV 控制端,本机也未用。
(37)脚为红外遥控信号输入端,外接红外接收器。
(38)脚为写保护控制端,若(38)脚输出高电平,CPU 能对存储器进行正常的读/写践作。 若(38)脚为低电平,则存储器处于写保护状态。
(39)、(40)脚为 I2C http://www.haojdwx.cn/Article/ShowClass.asp?ClassID=3'>总线输出端,http://www.haojdwx.cn/Article/ShowClass.asp?ClassID=3'>总线上共挂三个被控器件,即存储器(PCF8594)、小信 号处理器(TDA8843)及音频处理器(TDA9859)。CPU 通过 I2C http://www.haojdwx.cn/Article/ShowClass.asp?ClassID=3'>总线对这三个被控器件进行控 制。R744、R748 为http://www.haojdwx.cn/Article/ShowClass.asp?ClassID=3'>总线上拉电阻,以确保 CPU 的http://www.haojdwx.cn/Article/ShowClass.asp?ClassID=3'>总线输出端得到供电,R741、C721 及 R745、 C722  可提高http://www.haojdwx.cn/Article/ShowClass.asp?ClassID=3'>总线的抗干扰能力。在这一遥控系统中,反映有无节日的电台识别信号及反映 调谐准确度的 AFT 电压,由小信号处理器通过 I2C http://www.haojdwx.cn/Article/ShowClass.asp?ClassID=3'>总线送至 CPU,CPU 根据这些信号来完 成电台识别及节日存储。
(41)脚为待机控制端,正常丁作时,该脚输出高电平。在待机时,(41)脚为低电平。
待机控制电压送至电源电路,用来控制 24V 及 9V 电源的通、断。
2.I2C http://www.haojdwx.cn/Article/ShowClass.asp?ClassID=3'>总线调整方法
将本机遥控器(HYDFSR-0043)打开,可发现在“节目”和“音量加减”键这排按键下面 的左边还有一个按键,将它作为附加按键 1。而在“http://www.haojdwx.cn/Article/ShowInfo.asp?InfoID=790'>视频”按键的右边也有一个隐藏按键, 将它作为附加按键 2。在附加按键 1 和附加按键 2 的位置安装两个活动导电橡胶。先按下“附 加键  1”,接着迅速按一下“静音”键,即可进入http://www.haojdwx.cn/Article/ShowInfo.asp?InfoID=792'>维修模式。这时,屏幕上显示出第一组工 厂菜单。用“节目加/减”键进行选项,用“音量加/减”键进行http://www.haojdwx.cn/Soft/ShowClass.asp?ClassID=62'>数据增减。然后,每按一 次“附加键 1”,就显示出下一组工厂菜单,一共有 10 组。调整完毕后,按一下“附加键 2”,
可退出http://www.haojdwx.cn/Article/ShowInfo.asp?InfoID=792'>维修模式,再将遥控器复原。
若本机遥控器(HYDFSR-0043)上无“附加按键 1”和“附加按键 2”的位置,则可通过短 接遥控器内部芯片(3)、(11)脚(相当于按“附加按键 1”),再迅速按一下“静音键”便可 进入http://www.haojdwx.cn/Article/ShowInfo.asp?InfoID=792'>维修模式。然后,每短接一次(3)、(11)脚,便可显示一组下工厂菜单。调整完毕, 再短接(4)、(7)脚(相当于按附加按键 2)便可退出http://www.haojdwx.cn/Article/ShowInfo.asp?InfoID=792'>维修模式。
 
3.故障检修实例
[例 1]开机后呈三无现象。
先测 CPU(41)脚电压,只有 0.1V 左右,说明 CPU 已输出了待机控制指令,使机器处于 待机状态。查(41)脚外部上拉电阻 R749,正常。查 CPU 供电、时钟及复位电路,也未发现 问题,故怀疑 CPU 已进入了保护状态。查(11)脚电压,不足 1V,说明 CPU 检测到了过流现 象的存在而进入保护状态,故着重检查 16V、24V 及 9V 电源负载,结果发现 9V 电源与地 之间所接的滤波电容 C571 击穿(图中未画出此电容)。更换 C571 后故障排除。
[例 2]开机后呈三无现象。
测 CPU(41)脚电压正常(4.9V),说明 CPU 未输出待机控制电压。查行扫描电路,行推动
管 c 极电压为 0V,查行推动管 c 极供电电阻 R457 已烧断,但行推动管 V450 完好。更换
R457 后开机,发现 R457 冒烟,急忙关机。转而检查小信号处理器 TDA8843,未发现异常。
将 TDA8843 更换,故障依旧。
考虑本机采用 I2C http://www.haojdwx.cn/Article/ShowClass.asp?ClassID=3'>总线控制方式,故障很有可能是因遥控系统不正常引起的,故重点检
查 CPU 的供电、时钟、复位及 I2C http://www.haojdwx.cn/Article/ShowClass.asp?ClassID=3'>总线系统,结果更换时钟振荡晶体 X701 后故障排除。

javascript:window.open(this.src);" style="cursor:pointer;" onload="javascript:if(this.width>600)this.style.width=600;" />

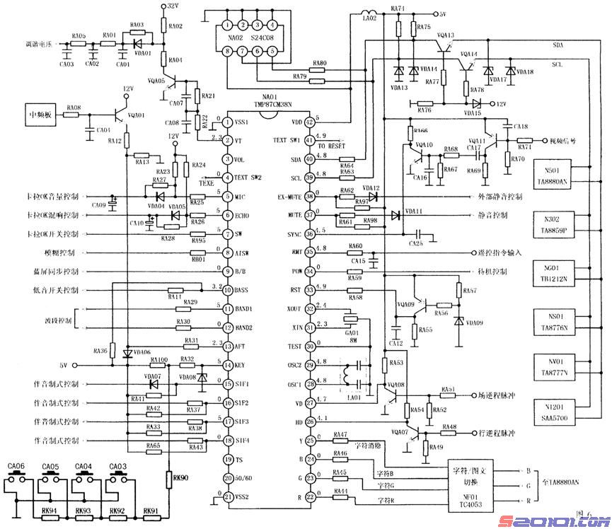
(三)飞利浦遥控系统在http://www.haojdwx.cn/Html/guochan/Class199/199_Index.html'>康佳“C”系列大屏幕彩电中的应用
1.电路分析
http://www.haojdwx.cn/Html/guochan/Class199/199_Index.html'>康佳“C”系列大屏幕彩电(如 IP3486C、P2990C 等)也使用飞利浦遥控系统,CPU 型号 也为 P83C266,掩膜后命名为 KONKA266。由 KONKA266 构成的遥控系统如图 9 所示(以 P3486C 为例)。由图 9 可知,其大部分引脚的控制功能与 MTV880 相同,只有少部分引脚的
 
控制功能发生了变化。具体情况如下。
(2)脚输出音量控制电压(PWM 脉冲),经 RC 积分滤波后转换为直流电压,送至伴音处理
器 TDA1524(1)脚,以控制音量的大小。
(3)脚为低音控制电压输出端,也输出 PWM 脉冲,经 RC 积分滤波后转换为直流电压, 送至伴音处理器 TDA1524(9)脚,完成低音调节。
(4)~(8)脚以及(11)、(12)脚的功能未定义。
(13)脚为 50Hz/60Hz 场频控制端,未用。
(14)脚输出待机控制电压,控制+15V  电源和+8.5V  电源的通/断。正常工作时,(14)脚 输出高电平;待机时,(14)脚输出低电平,从而将+15V 及+8.5V 电源切断,使整机处于待机 状态。
(34)脚为识别信号输入端子,未用。(41)脚为识别信号输出端子,未用。
(35)、(36)脚输出伴音制式控制电压,本机只使用了(36)脚的控制功能。(36)脚输出的电压
经  V108  倒相后,送至伴音制式切换电路。当(36)脚为高电平时,伴音制式为  I  制;当(36)
脚为低电平时,伴音制式为 D/K 制。
2.I2C http://www.haojdwx.cn/Article/ShowClass.asp?ClassID=3'>总线调整方法 按工厂专用遥控器上的“FAC"键,可进入http://www.haojdwx.cn/Article/ShowInfo.asp?InfoID=792'>维修模式。在http://www.haojdwx.cn/Article/ShowInfo.asp?InfoID=792'>维修模式下,用"CH+/-"键可选
择调整项日,用“VOL+/-"键可调整http://www.haojdwx.cn/Soft/ShowClass.asp?ClassID=62'>数据。调整完毕,按“TV”键,可退出http://www.haojdwx.cn/Article/ShowInfo.asp?InfoID=792'>维修模式。
3.故障检修实例
[例 1]开机电源指示灯亮,但呈三无。
先查+B 电源,只有 64V 左右(正常应为 135V),说明电源很可能处于待机工作状态。再
测 CPU(14)脚电压,为 0V,说明 CPU 已输出了待机控制指令。引起 CPU 输出待机控制指 令的原因有两种,一是 CPU 的基本工作条件未满足,二是 I2C http://www.haojdwx.cn/Article/ShowClass.asp?ClassID=3'>总线系统有故障导致 CPU 自 我保护。先查 CPU 的基本工作条件(即供电、时钟及复位),未发现异常。再查 I2C http://www.haojdwx.cn/Article/ShowClass.asp?ClassID=3'>总线系 统,考虑到存储器是 I2C http://www.haojdwx.cn/Article/ShowClass.asp?ClassID=3'>总线系统中较易出故障的元件,于是更换存储器,开机故障排除。
[例 2]伴音小,且有杂音。
根据故障现象分析,很可能是伴音电路的工作制式错误而造成的。先测 CPU(36)脚电压, 为低电平(正常)。再查 V108c 极电压,只有 0.8V 左右,焊下 V108 测其 c、e 极严重漏电, 更换 V108 后故障排除。由于 V108 严重漏电,使其 c 极电压变为低电平,导致伴音电路工 作于 I 制式,从而出现伴音小,且有杂音的现象。
四、三菱遥控系统
三菱遥控系统是以 M3722×系列芯片为 CPU 而构成的,目前,这一遥控系统在http://www.haojdwx.cn/Html/guochan/Class199/199_Index.html'>康佳三 菱机心、TCL 银佳系列彩电、厦华 TDA884×机心、http://www.haojdwx.cn/Html/guochan/Class223/223_Index.html'>海信升级系列彩电中得到广泛应用。
(一)CPU 介绍
M3722×系列芯片是日本三菱公司推出的单片 8 位 CMOS 微处理器。所包含的主要型 号有 M37220M3、M37221M6、M37225 等,均采用 42 脚封装,如图 10 所示。这类微处理 器内含一个 8 位微控制单元、14 个中断源、4 个 8 位定时器、27 个可编程 I/O 端口、时钟 发生器及字符发生器等电路,同时还设有一定容量的 ROM 及 RAM(容量随型号而异)。这类 微处理器均属可编程器件,只要向其内部 ROM 中写入不同的控制软件,就可对 I/0 端口 的具体控制功能进行定义。
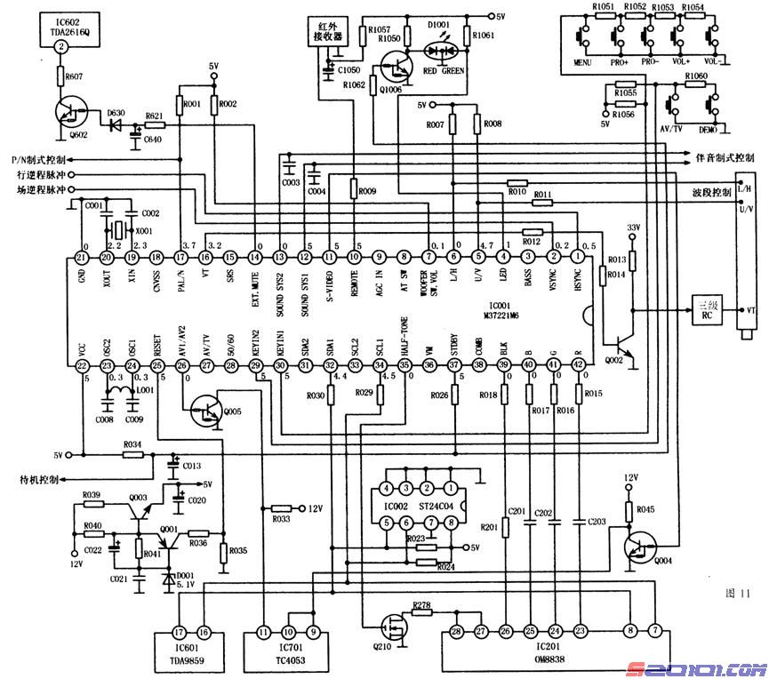
(二)三菱遥控系统在 TCL 银佳系列彩电中的应用
1.电路分析
TCL 银佳系列大屏幕彩电使用 M37221M6 来构成遥控系统,控制软件由 TCL 公司自主 开发(软件号有 M11VIP、M11V3P 等),可管理小信号处理器 TDA8841(OM8838)及伴音处理
器 TDA9859,还可对梳状滤波器及 TV/AV 切换电路进行控制。下面以 TCL-2975D 彩电
 
例进行分析,参考图 11。

javascript:window.open(this.src);" style="cursor:pointer;" onload="javascript:if(this.width>600)this.style.width=600;" />

javascript:window.open(this.src);" style="cursor:pointer;" onload="javascript:if(this.width>600)this.style.width=600;" />

(1)、(2)脚分别为行、场逆程脉冲输入端,CPU 通过对行、场逆程脉冲进行识别后,来
 
确定字符显示的位置。
(3)脚为低音控制端,本机未用,低音控制是由 I2C http://www.haojdwx.cn/Article/ShowClass.asp?ClassID=3'>总线控制 TDA9859 来完成的。
(4)脚为指示灯控制端,正常工作时,输出高电平,点燃面板上的绿色指示灯。待机时 为低电平,绿灯熄灭。
(5)、(6)脚输出波段控制电压,控制调谐器的工作波段。当(5)脚为高电平、(6)脚为低电 平时,调谐器工作于 VL 波段;当(5)脚为低电平、(6)脚为高电平时,调谐器工作于 VH 波 段;当(5)、(6)脚均为高电平时,调谐器工作于 U 波段。
(7)脚为重低音开/关控制端,本机未设重低音电路,故此脚未用。
(8)脚为 AFT 开/关控制端,本机未用。
(9)脚为 AGC 电压输入端,本机未用。
(10)脚与红外接收器相连,以接受红外接收器送来的红外遥控指令。
(11)脚输出 S 端子切换控制电压,经 Q004 倒相后送至 IC701。当(11)脚输出低电平时, IC701 选择 S 端子送来的 Y/C 信号。当(11)脚输出高电平时,S 端子送来的 Y/C 信号被禁 止。
(12)、(13)脚输出伴音制式控制电压,送至伴音制式切换电路。当(2)脚为高电平、(13)脚 为低电平时,电路工作于  D/K  制;当(12)脚为低电平、(13)脚为高电平时,电路工作于  I 制。
(14)脚输出静音控制电压,正常工作时,(14)脚输出低电平,D630、Q602 截止,伴音功 放电路  IC602  有信号输出;在搜索节目、无信号或人工静音时,(14)脚输出高电平,D630 导通,Q602 饱和导通,伴音功放电路处于静音状态。
(15)脚输出 SRS 音效控制电压,若(15)脚为高电平,则 SRS 开启,伴音有 SRS(二维虚拟 环绕声)效果;若(15)脚为低电平,则 SRS 关闭,伴音无 SRS 效果。因本机未设 SRS 音效电 路,故末用此脚的控制功能。
(16)脚输出调器控制电压,经 Q002 倒相放大及三级 RC 网络滤波后,得到直流电压,送 至调谐器的 VT 端。
(17)脚输出 PAL/NTSC 制式控制电压,送至枕形校正电路。当(17)脚输出高电平时,枕形 校正电路工作于  PAL  制,校正量相对较低;当(17)脚输出低电平时,枕形校正电路工作于 NTSC 制,校正量有所提高,以满足 NTSC 制状态下枕形校正的要求。
(19)、(20)脚外接时钟振荡电路,为系统提供 8MHz 的工作时钟。
(21)脚为 CPU 的接地端子,(18)脚内部与地相连,外部常悬空。(22)脚为 CPU 的供电端 子,供电电压由 Q003 提供,典型值为+5V。
(23)、(24)脚外接字符时钟振荡电路,该时钟用来读取字符 ROM 中的信息,实现字符显 示。
(25)脚输入复位电压,复位电压由 Q001 产生。刚开机时,Q001 截止,为(25)脚提供低电 平复位电压,使 CPU 复位。待+5V 供电电压上升至稳定值后,Q001 饱和导通,(25)脚变为 高电平,复位过程结束。由于复位电路的作用,确保厂 CPU 在开机瞬间不会产生误动作。
(26)脚输出 AV 控制电压,经 Q005 倒相后送至 IC701,使 IC701 完成对 AV1/AV2 的选 择。当(26)脚输出低电平时,IC701 选择 AV1;当(26)脚输出高电平时,IC701 选择 AV2。
(27)脚输出 TV/AV 控制电压,由于 TV/AV 切换是在 OM8838 中完成的,TV/AV 切 换过程由 I2C http://www.haojdwx.cn/Article/ShowClass.asp?ClassID=3'>总线进行控制,故(27)脚悬空未用。
(28)脚输出 50Hz/60Hz 场频控制电压,本机未用此脚,场频控制由 I2C http://www.haojdwx.cn/Article/ShowClass.asp?ClassID=3'>总线来完成。
(29)、(30)脚为键控指令输入端,外接本机键盘。(29)脚上共接两个键,(30)脚上共接五 个键。
(31)、(33)脚为第二组 I2C http://www.haojdwx.cn/Article/ShowClass.asp?ClassID=3'>总线控制端,本机未用这组http://www.haojdwx.cn/Article/ShowClass.asp?ClassID=3'>总线
 
(32)、(34)脚为第一组 I2C http://www.haojdwx.cn/Article/ShowClass.asp?ClassID=3'>总线控制端,这组http://www.haojdwx.cn/Article/ShowClass.asp?ClassID=3'>总线上挂有存储器(ST24C04)、小信号处理 器(OM8838)和伴音处理器(TDA9859)。CPU  通过这组http://www.haojdwx.cn/Article/ShowClass.asp?ClassID=3'>总线对小信号处理器及伴音处理器进 行控制。还通过这组http://www.haojdwx.cn/Article/ShowClass.asp?ClassID=3'>总线与存储器之间进行http://www.haojdwx.cn/Soft/ShowClass.asp?ClassID=62'>数据交换。
(35)脚输出屏显半增益(又称半透明)控制电压,送至 OM8838。当图像和菜单同时存在时,
(35)脚在菜单显示期间输出高电平,使 Q210 饱和导通,R278 对图像的亮度信号进行衰减, 使菜单显示呈半透明状。这样,用户即可清晰地看到菜单显示,又可看到菜单背景中的图像。
(36)脚输出 VM 控制电压,因本机未设 VM(扫描速度调制)电路,故未用此脚。
(37)脚输出待机控制电压,一方面控制电源电路,另一方面控制面板上的红色指示灯, 正常该作时,(37)脚输出高电平,使电源处于正常工作状态,同时 Q1006 饱和导通,红色指 示灯熄灭。待机时,(37)脚输出低电平,将电源置于待机该作状态(+B 电压下降一半左右), 同时,Q1006 截止,红色指示灯亮,以作待机指示。
(38)脚输出梳状滤波器控制电压,当(38)脚输出高电平时,梳状滤波器断开,无 Y/C 分
离功能;当(38)脚为低电平时,梳状滤波器工作,有 Y/C 分离功能。因本机未设梳状滤波 器,故未用此脚的控制功能。
(39)脚输出字符消隐信号,(40)脚输出字符 B 信号,(41)脚输出字符 G 信号,(42)脚输出 字符 R 信号,均送至 OM8838。字符 RGB 信号在字符消隐信号的控制下,插入到图像 RGB 信号中,形成字符镶嵌在图像中的效果。
2.I2C http://www.haojdwx.cn/Article/ShowClass.asp?ClassID=3'>总线调整方法 按该厂遥控器的“工厂设定+场特性”键或“工厂设定+行特性”键可进入光栅项目的
调整;按“工厂设定+白平衡”键可进入白平衡调整。按“工厂设定+初始化”键可进入初 始化菜单的调整,关机后,可退出 I2C http://www.haojdwx.cn/Article/ShowClass.asp?ClassID=3'>总线调整模式。
也可通过改造用户遥控器后来进行调整。拆开用户遥控器,在电路板的 J03 位置上补上 一只二极管(如 1N4148),方向同 D03。按“初始化”键(有些遥控器标为“美化画面”或“图 像”)可进入调整模式。然后用“节目增/减”键和“音量增/减”键选择项目和改变http://www.haojdwx.cn/Soft/ShowClass.asp?ClassID=62'>数据。 关机可退出调整模式。完毕后记住拆除 J03 位置的二极管。当存储器损坏后,可直接用空白 存储器更换,再进行适当调整即可。若使用 M11V1P 的 CPU,则改造好遥控器后,按两次
“菜单”键可进入调整模式。调整后按二次“菜单”键可退出调整模式。
3.故障检修实例
[例 1]开机后红灯亮,处于待机状态,无法二次开机。
测 CPU(37)脚电压为 0V,说明 CPU 输出了待机控制电压,使电源进入了待机工作状态。
测 CPU(22)脚供电电压为 0V。查供电电路(Q003 及周边元件),结果发现 R040 的一端脱焊, 补焊后故障排除。
[例 2]不能收看 S 端子节目。
根据故障现象分析,怀疑控制软件有问题。先进入 I2C http://www.haojdwx.cn/Article/ShowClass.asp?ClassID=3'>总线调整状态,找到"AVNUM” 项目,发现其值为“1",将其值改为“3”后,故障排除。
五、Zilog 遥控系统
Zilog  遥控系统是以  Z9023×系列芯片为  CPU  而构成的,一般用来管理  TDA8841、 OM8838 等小信号处理器。这种遥控系统广泛用于http://www.haojdwx.cn/Html/guochan/Class199/199_Index.html'>康佳“C”系列小屏幕彩电及 TCL 飞利浦 机心中。
(一)CPU 介绍
Z9023×系列芯片是美国 Zilog 公司推出的单片 8 位微处理器,该系列芯片所包含的主 要型号有 Z90230、Z90231、Z90233、Z90234 及 Z90239 等。这些芯片的内部结构及引脚方 式均相同,仅 ROM 容量有所区别。目前,以 Z90231 应用 为广泛,Z90231 内含一个 Z8CPU 单元、32kBROM、256B  RAM、字符存储器、字符显示组件、10 个 6 位 PWM 端口、一个
 
14 位 PWM 端口、四组 I/O 端口等电路。
Z9023×系列芯片采用双列 42 脚封装形式,如图 12 所示,属可编程 CPU,只需向内部 ROM 中写入不同的控制软件,就可对芯片某些引脚的具体控制功能进行定义,使芯片具有 不同的控制能力。

javascript:window.open(this.src);" style="cursor:pointer;" onload="javascript:if(this.width>600)this.style.width=600;" />

您当前的位置:湖南阳光电子技术学校 -> 技术园地 -> 综合维修园地 -> 文章内容

作者:佚名  来源:不详  发布时间:2009-10-15 8:42:03  发布人:cswok

[] [返回上一页] [打 印] [收 藏]

栏目导航

· 电工焊工园地 · 电视维修园地
· 手机维修园地 · 空调维修园地
· 冰箱维修园地 · 液晶电视维修
· 网络工程园地 · 显示器维修园地
· 笔记本园地 · 数码产品维修园地
· 音响维修园地 · 电子基础知识
· 电脑维修天地 · 综合维修园地

热门文章

· 入学须知
· 2009年收费标准
· 家电维修培训
· 电工培训
· [组图] 学生生活介绍..
· [图文] 就业安置流程..
· [组图] 来校路线图
· 家电通讯维修专业
· 湖南阳光电子技术学..
· 精锐电子维修专业

推荐图文

首页 阳光概况 技术专业 教学管理 就业导航 成功学子 技术园地 招生资讯 精锐师资 综合讯息
  友情链接                 申请友情链接
家电维修学校 | 家电维修培训 | 电脑维修培训学校 | 湖南手机维修培训学校 | 电子技术学校 | 电子学校 | 电子维修学校 | 湖南电工焊工培训学校 | 笔记本电脑维修培训 | 显示器维修培训 | 手机维修培训 | 手机维修学校 | 电脑学校 | 电子技术学校 | 电子维修学校 | 湖南电脑培训学校 | 湖南计算机培训 | 湖南计算机维修学校 | 电脑组装与维护培训 | 网络工程师培训 | 主板维修培训 | 硬盘维修培训 | 电工焊工培训 | 液晶电视维修培训 | 彩电维修培训 | 冰箱空调维修培训 | 制冷维修培训

友情连接 - 网站地图 - 学生档案   怀念旧版
网站:
http://www.hnygpx.net   报名电话:0731 - 85579057,  0731 - 85569651
报名信箱:
yp5579@263.net       咨询QQ: 361928696,  873219118 
校址:湖南省长沙市雨花区车站南路红花坡路口(红花坡路176号)