有事您Q我  点击这里给我发消息  点击这里给我发消息  点击这里给我发消息

      

首页 | 教学管理 | 阳光概况 | 成功学子 | 就业导航 | 技术园地 | 精锐师资 | 技术专业 | 学子心声 | 招生资讯 | 阳光资讯 | 函授教学
 
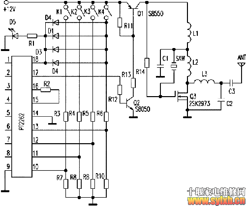
2000米无线遥控发射电路
 
  </Script>

您当前的位置:湖南阳光电子技术学校 -> 技术园地 -> 电子基础知识 -> 文章内容

作者:佚名  来源:不详  发布时间:2009-6-14 11:17:27  发布人:cswok

[] [返回上一页] [打 印] [收 藏]
上一篇文章:电子技术自立学习法
下一篇文章:I2C协议

栏目导航

· 电工焊工园地 · 电视维修园地
· 手机维修园地 · 空调维修园地
· 冰箱维修园地 · 液晶电视维修
· 网络工程园地 · 显示器维修园地
· 笔记本园地 · 数码产品维修园地
· 音响维修园地 · 电子基础知识
· 电脑维修天地 · 综合维修园地

热门文章

· 入学须知
· 2009年收费标准
· 家电维修培训
· 彩显中易损大功率三..
· 电工培训
· [组图] 学生生活介绍..
· [图文] 就业安置流程..
· 湖南阳光电子技术学..
· [图文] 学费是多少,..
· [组图] 来校路线图

推荐图文

首页 阳光概况 技术专业 教学管理 就业导航 成功学子 技术园地 招生资讯 精锐师资 综合讯息

友情连接 - 网站地图 - 学生档案
网站:
http://www.hnygpx.net   报名电话:0731 - 85579057,  0731 - 85569651
报名信箱:
yp5579@263.net       咨询QQ: 361928696,  873219118 
校址:湖南省长沙市雨花区车站南路红花坡路口(红花坡路176号)