PCB板,就是常说的印制板。在职业学校,把印制板还原为电原理图,作为一项基本功的教学训练。并取名叫驳图。在修理过程中,正确识别 PCB是关键的一步。对于电子技术人员来说,要掌握的基本功较多,正确识别电原理图和印制板,是其中重要的一环。
现在的 PCB 板由于技术的成熟,可以做成单面板、双而板、多层板等。对于我们来说。多层板的识别很难。因此,这里的驳图,主要指识别单面板和双面板。
为此应首先了解元件的布局、元件的功能和单元电路功能的划分等。从大局出发进行分析、把握.做一些准备工作。
1 。认清单元电路功能。就识别 PCB 印制板而言,认清单元电路能完成什么功能,对驳图来说是非常关键的。在电原理的学习中,符合一定功能的单元,可以用方框来表示。因此在驳图中是按反向分析识别方框。比如要识别该印制板是彩电主板 ? 是电磁灶控制板 ? 是节能日光灯控制板 ? 还是电瓶车充电器控制板 ? 等等。再比如局部地说要识别是单管放大电路。还是桥式整流电路,是集成功放电路,还是自激振荡电路等等。
2 。认清 PCB 板上芯片或元件的型号。识出芯片的型号后,可以对照该芯片的典型应用电路图进行参考驳图。比如功放块 TDA2616 :彩电解码块 LA76810 ;场扫描集成块 LA7841 ;开关稳压电源控制块;单片机芯片 89C2051 等等。如果读出来的芯片型号平时没有见过,也可以上网去查,网址为: http://cn.ic-on-line.cn 。在网上把它的 DAATASHEET 技术文档中的典型应用原理图 , 仔细阅读一遍 , 然后对比 PCB 板 , 绘制出该芯片的周边电路元件标号。可以假快理清该芯片的印制饭电路。
3 .平时多掌握一些元器件的封装形式。常见的封装有 TO-92 、 TO-220 等。三极管的三个脚分别是 E 、 B 、 C 。小功率塑封装一般是 TO-92 ,识别口诀是:“上平下圆脚朝己,从左到右 E 、 B 、 C ” ( 也有个别例外 ) 。 TO-220 塑封三极管识别口诀是:“竖看字面脚朝下,从左到右 B 、 C 、 E 。”场效应管三个脚分别是 D 、 G 、 S 。 TO-220 塑封场效应管识别口诀是:“竖看字面脚朝下,从左到右 G 、 D 、 S 。可控硅三只脚单向为 A 、 G 、 K .双向为 T1(A1) 、 G 、 T2(A2) ,引脚与封装对应情况如图 1 所示。
此外还应抓住核心元件,以核心元件的供电和信号输入输出作为识别 PCB 的出发点来进行驳图。通常核心元件无非是三极管、场效应管、可控硅和集成电路芯片。这些核心元件是有源器件,须供电才能工作。因此合理地找出电源和地线走线是非常重要的。 NPN 三极管高电位为 C 极, PNP 三极管为 E 极,场效应管高电位一般为 D 极。可控硅高电位为 A ,集成芯片供电脚可查资料。地线一般是位于边沿、且面积较粗的铜箔.中间位置的地线常与散热片连接 ( 也有特别. 好用**用表电阻挡测量判断 ) 。在分析供电时。应从高电位出发,到地线为止。每一条供电线路中。 高电位处.一般带有一个大的滤波电容,可作为判断的依据。至于信号的输入输出,应按三极管的共集放大电路、共基放大电路、共射放大电路等采对侍。场效应管和可控硅的控制极为 G 极,也就是通常三极管的的 B 极。场效应管和可控硅的 G 极是小信号输入的位置,三极管的 C 极,场效管的 D 极作为信号的输出位置。可控硅没有信号的输出极。集成电路芯片的输入、输出可参考它的技术文档进行判别。
识别 PCB 印制板时,应抓住先走静态线路,然后再分析动态线路的原则。备上**用表,检查线路的连接情况。一般来说,电阻、二极管、电感等应属静态线路中的元件,电容为动态线路中的元件。驳图时应先避开电容等动态线路元件,而先把核心元件的静态偏置电路元件进行理清,这样识别 PCB 电路的思路较为清楚,原理图绘制也合乎逻辑。
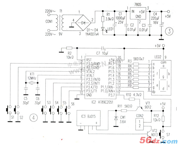
平时应勤学苦练,由易入难,善于总结。驳图其实很容易。图 2 为一印制板图。
首先分析一下本块印制板。它是单片板,电源部分位于板右上方,从集成电路 7805 可以看出, D1 ~ D4 四个二板管构成桥式整流电路, 7805 三端稳压输出供给后级电路工作。核心电路是主控芯片 AT89C205l 单片机, S1~S6 构成键盘输入电路, LED2 为一数码管构成显示电路, IC3 构成报警电路。
弄清大局后,再逐一进行绘制,绘制的电路如图 3 、图 4 所示。


