串行通信接口标准经过使用和发展,目前已经有几种。但都是在RS-232标准的基础上经过改进而形成的。所以,以RS-232C为主来讨论。RS- 323C标准是美国EIA(电子工业联合会)与BELL等公司一起开发的1969年公布的通信协议。它适合于数据传输速率在0~20000b/s范围内的通信。这个标准对串行通信接口的有关问题,如信号线功能、电器特性都作了明确规定。由于通行设备厂商都生产与RS-232C制式兼容的通信设备,因此,它作为一种标准,目前已在微机通信接口中广泛采用。
在讨论RS-232C接口标准的内容之前,先说明两点:
首先, RS-232-C标准 初是远程通信连接数据终端设备DTE(Data Terminal Equipment)与数据通信设备DCE(Data Communication Equipment)而制定的。因此这个标准的制定,并未考虑计算机系统的应用要求。但目前它又广泛地被借来用于计算机(更准确的说,是计算机接口)与终端或外设之间的近端连接标准。显然,这个标准的有些规定及和计算机系统是不一致的,甚至是相矛盾的。有了对这种背景的了解,我们对RS-232C标准与计算机不兼容的地方就不难理解了。
其次,RS-232C标准中所提到的“发送”和“接收”,都是站在DTE立场上,而不是站在DCE的立场来定义的。由于在计算机系统中,往往是CPU和I/O设备之间传送信息,两者都是DTE,因此双方都能发送和接收。
一、RS-232-C
RS -232C标准(协议)的全称是EIA-RS-232C标准,其中EIA(Electronic Industry Association)代表美国电子工业协会,RS(ecommeded standard)代表推荐标准,232是标识号,C代表RS232的 新一次修改(1969),在这之前,有RS232B、RS232A。。它规定连接电缆和机械、电气特性、信号功能及传送过程。常用物理标准还有有EIA RS-232-C、EIA RS-422-A、 EIA RS-423A、EIA RS-485。这里只介绍EIA RS-232-C(简称232,RS232)。 例如,目前在IBM PC机上的COM1、COM2接口,就是RS-232C接口。
1.电气特性
EIA-RS-232C对电器特性、逻辑电平和各种信号线功能都作了规定。
在TxD和RxD上:逻辑1(MARK)=-3V~-15V
逻辑0(SPACE)=+3~+15V
在RTS、CTS、DSR、DTR和DCD等控制线上:
信号有效(接通,ON状态,正电压)=+3V~+15V
信号无效(断开,OFF状态,负电压)=-3V~-15V

javascript:window.open(this.src);" style="cursor: pointer;"/>
上规定说明了RS-323C标准对逻辑电平的定义。对于数据(信息码):逻辑“1”(传号)的电平低于-3V,逻辑“0”(空号)的电平告语+3V;对于控制信号;接通状态(ON)即信号有效的电平高于+3V,断开状态(OFF)即信号无效的电平低于-3V,也就是当传输电平的绝对值大于3V时,电路可以有效地检查出来,介于-3~+3V之间的电压无意义,低于-15V或高于+15V的电压也认为无意义,因此,实际工作时,应保证电平在±(3~15)V之间。
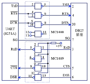
EIA-RS-232C与TTL转换:EIA-RS-232C是用正负电压来表示逻辑状态,与TTL以高低电平表示逻辑状态的规定不同。因此,为了能够同计算机接口或终端的TTL器件连接,必须在EIA-RS-232C与TTL电路之间进行电平和逻辑关系的变换。实现这种变换的方法可用分立元件,也可用集成电路芯片。目前较为广泛地使用集成电路转换器件,如MC1488、SN75150芯片可完成TTL电平到EIA电平的转换,而 MC1489、SN75154可实现EIA电平到TTL电平的转换。MAX232芯片可完成TTL←→EIA双向电平转换,图1显示了1488和1489 的内部结构和引脚。MC1488的引脚(2)、(4,5)、(9,10)和(12,13)接TTL输入。引脚3、6、8、11输出端接EIA-RS- 232C。MC1498的14的1、4、10、13脚接EIA输入,而3、6、8、11脚接TTL输出。具体连接方法如图2所示。图中的左边是微机串行接口电路中的主芯片UART,它是TTL器件,右边是EIA-RS-232C连接器,要求EIA高电压。因此,RS-232C所有的输出、输入信号都要分别经过MC1488和MC1498转换器,进行电平转换后才能送到连接器上去或从连接器上送进来。

javascript:window.open(this.src);" style="cursor: pointer;"/>
2
2、、连接器的机械特性:
连接器:由于RS-232C并未定义连接器的物理特性,因此,出现了DB-25、DB-15和DB-9各种类型的连接器,其引脚的定义也各不相同。下面分别介绍两种连接器。
(1)DB-25: PC和XT机采用DB-25型连接器。DB-25连接器定义了25根信号线,分为4组:
①异步通信的9个电压信号(含信号地SG)2,3,4,5,6,7,8,20,22
②20mA电流环信号 9个(12,13,14,15,16,17,19,23,24)
③空6个(9,10,11,18,21,25)
④保护地(PE)1个,作为设备接地端(1脚)
DB-25型连接器的外形及信号线分配如图3所示。注意,20mA电流环信号仅IBM PC和IBM PC/XT机提供,至AT机及以后,已不支持。

javascript:window.open(this.src);" style="cursor: pointer;"/>
(2)DB-9连接器
在AT 机及以后,不支持20mA电流环接口,使用DB-9连接器,作为提供多功能I/O卡或主板上COM1和COM2两个串行接口的连接器。它只提供异步通信的 9个信号。DB-25型连接器的引脚分配与DB-25型引脚信号完全不同。因此,若与配接DB-25型连接器的DCE设备连接,必须使用专门的电缆线。
电缆长度:在通信速率低于20kb/s时,RS-232C所直接连接的 大物理距离为15m(50英尺)。
大直接传输距离说明:RS-232C标准规定,若不使用MODEM,在码元畸变小于4%的情况下,DTE和DCE之间 大传输距离为15m(50英尺)。可见这个 大的距离是在码元畸变小于4%的前提下给出的。为了保证码元畸变小于4%的要求,接口标准在电气特性中规定,驱动器的负载电容应小于 2500pF。
3、RS-232C的接口信号
RS-232C规标准接口有25条线,4条数据线、11条控制线、3条定时线、7条备用和未定义线,常用的只有9根,它们是:
(1)联络控制信号线:
数据装置准备好(Data set ready-DSR)——有效时(ON)状态,表明MODEM处于可以使用的状态。
数据终端准备好(Data set ready-DTR)——有效时(ON)状态,表明数据终端可以使用。
这两个信号有时连到电源上,一上电就立即有效。这两个设备状态信号有效,只表示设备本身可用,并不说明通信链路可以开始进行通信了,能否开始进行通信要由下面的控制信号决定。
请求发送(Request to send-RTS)——用来表示DTE请求DCE发送数据,即当终端要发送数据时,使该信号有效(ON状态),向MODEM请求发送。它用来控制MODEM是否要进入发送状态。
允许发送(Clear to send-CTS)——用来表示DCE准备好接收DTE发来的数据,是对请求发送信号RTS的响应信号。当MODEM已准备好接收终端传来的数据,并向前发送时,使该信号有效,通知终端开始沿发送数据线TxD发送数据。
这对RTS/CTS请求应答联络信号是用于半双工MODEM系统中发送方式和接收方式之间的切换。在全双工系统中作发送方式和接收方式之间的切换。在全双工系统中,因配置双向通道,故不需要RTS/CTS联络信号,使其变高。
接收线信号检出(Received Line detection-RLSD)——用来表示DCE已接通通信链路,告知DTE准备接收数据。当本地的MODEM收到由通信链路另一端(远地)的 MODEM送来的载波信号时,使RLSD信号有效,通知终端准备接收,并且由MODEM将接收下来的载波信号解调成数字两数据后,沿接收数据线RxD送到终端。此线也叫做数据载波检出(Data Carrier dectection-DCD)线。
振铃指示(Ringing-RI)——当MODEM收到交换台送来的振铃呼叫信号时,使该信号有效(ON状态),通知终端,已被呼叫。
(2)数据发送与接收线:
发送数据(Transmitted data-TxD)——通过TxD终端将串行数据发送到MODEM,(DTE→DCE)。
接收数据(Received data-RxD)——通过RxD线终端接收从MODEM发来的串行数据,(DCE→DTE)。
(3)地线
有两根线SG、PG——信号地和保护地信号线,无方向。
上述控制信号线何时有效,何时无效的顺序表示了接口信号的传送过程。例如,只有当DSR和DTR都处于有效(ON)状态时,才能在DTE和DCE之间进行传送操作。若DTE要发送数据,则预先将DTR线置成有效(ON)状态,等CTS线上收到有效(ON)状态的回答后,才能在TxD线上发送串行数据。这种顺序的规定对半双工的通信线路特别有用,因为半双工的通信才能确定DCE已由接收方向改为发送方向,这时线路才能开始发送。
2个数据信号:发送TXD;接收RXD。
1个信号地线:SG。
6个控制信号:
DSR 数传机(即modem)准备好,Data Set Ready.
DTR 数据终端(DTE,即微机接口电路,如Intel8250/8251,16550)准备好,Data Terminal Ready。
RTS DTE请求DCE发送(Request To Send)。
CTS DCE允许DTE发送(Clear To Send),该信号是对RTS信号的回答。
DCD& #0; 数据载波检出,Data Carrier Detection当本地DCE设备(Modem)收到对方的DCE设备送来的载波信号时,使DCD有效,通知DTE准备接收,并且由DCE将接收到的载波信号解调为数字信号, 经RXD线送给DTE。
RI 振铃信号 Ringing当DCE收到交换机送来的振铃呼叫信号时,使该信号有效,通知DTE已被呼叫。
232引脚
CCITT
Modem 名称
说明
异步
同步
1 101
AA 保护地
设备外壳接地
PE
PE√
2 103
BA 发送数据
数据送Modem
TXD
3 104
BB 接收数据
从Modem接收数据
RXD
4 105
CA 请求发送
在半双工时控制发送器的开和关
RTS
5 106
CB 允许发送
Modem允许发送
CTS
6 107
CC 数据终端准备好
Modem准备好
DSR
7 102
AB 信号地
信号公共地
SG
SG√
8 109
CF 载波信号检测
Modem正在接收另一端送来的信号
DCD
9 空
10 空
11 空
12 接收信号检测(2)
在第二通道检测到信号
√
13 允许发送(2)
第二通道允许发送
√
14 118
发送数据(2)
第二通道发送数据
√
15 113
DA 发送器定时
为Modem提供发送器定时信号
√
16 119
接收数据(2)
第二通道接收数据
√
17 115
DF 接收器定时
为接口和终端提供定时
√
18 空
19 请求发送(2)
连接第二通道的发送器
√
20 108
数据终端准备好
数据终端准备好
DTR
21
空
22 125 振铃
振铃指示
RI
23 111
CH 数据率选择
选择两个同步数据率
√
24 114
DB 发送器定时
为接口和终端提供定时
√
25 空
一、远距离通信
第1和第2中情况是属于远距离通信(传输距离大于15m的通信)的例子,故一般要加调制解调器MODEM,因此使用的信号线较多。注意:在以下各图中,DTE信号为RS-232-C信号,DTE与计算机间的电平转换电路未画出。
1、采用Modem(DCE)和电话网通信时的信号连接:
若在双方MODEM之间采用普通电话交换线进行通信,除了需要2~8号信号线外还要增加RI(22号)和DTR(20号)两个信号线进行联络,如图1所示。

javascript:window.open(this.src);" style="cursor: pointer;"/>
图1
DSR、DTR:数传机(DCE)准备好、数据终端(DTE)准备好,只表示设备本身可用。
首先,通过电话机拔号呼叫对方,电话交换台向对方发出拔号呼叫信号,当对方DCE收到该信号后,使RI(振铃信号)有效,通知DTE,已被呼叫。当对方“摘机”后,两方建立了通信链路。
若计算机要发送数据至对方,首先通过接口电路(DTE)发出RTS(请求发送)信号。此时,若DCE(Modem)允许传送,则向DTE回答CTS(允许发送)信号。一般可直接将RTS/CTS接高电平,即只要通信链路已建立,就可传送信号。(RTS/CTS可只用于半双工系统中作发送方式和接收方式的切换。
当DTE获得CTS信号后,通过TXD线向DCE发出串行信号,DCE(Modem)将这些数字信号调制成模拟信号(又称载波信号),传向对方。
计算机向DTE“数据输出寄存器”传送新的数据前,应检查Modem状态和数据输出寄存器为空。当对方的DCE收到载波信号后,向对方的DTE发出DCD信号(数据载波检出),通知其DTE准备接收,同时,将载波信号解调为数据信号,从RXD线上送给DTE,DTE通过串行接收移位寄存器对接收到的位流进行移位,当收到1个字符的全部位流后,把该字符的数据位送到数据输入寄存器,CPU可以从数据输入寄存器读取字符。
2、采用专用电话线通信:在通信双方的MODEM之间采用电话线进行通信,则只要使用2~8号信号线进行联络与控制。不需要电话机、振铃信号RI和DTR信号,其信号线的连接如图2那样。

javascript:window.open(this.src);" style="cursor: pointer;"/>
图2
二、近距离通信:
当通信距离较近时,可不需要Modem,通信双方可以直接连接,这种情况下,只需使用少数几根信号线。 简单的情况,在通信中根本不需要RS-232C的控制联络信号,只需三根线(发送线、接收线、信号地线)便可实现全双工异步串行通信,即是这里要讨论的第一种情况。
无Modem时, 大通信距离按如下方式计算:
RS-232C标准规定:当误码率小于4%时,要求导线的电容值应小于2500PF。对于普通导线,其电容值约为170PF/M。则允许距离L=2500PF/(170PF/M)=15M
这一距离的计算,是偏于保守的,实际应用中,当使用9600bps,普通双绞屏蔽线时,距离可达30~35米。
1、零Modem 的 简连线(3线制)
图3是零MODEM方式的 简单连接(即三线连接),图中的2号线与3号线交叉连接是因为在直连方式时,把通信双方都当作数据终端设备看待,双方都可发也可收。在这种方式下,通信双方的任何一方,只要请求发送RTS有效和数据终端准备好DTR有效就能开始发送和接收。

javascript:window.open(this.src);" style="cursor: pointer;"/>
图3
(1)RTS与CTS互联:只要请求发送,立即得到允许
(2)DTR与DSR互联:只要本端准备好,认为本端立即可以接收(DSR、数传机准备好)。
2、零Modem标准连接:
如果想在直接连接时,而又考虑到RS-232C的联络控制信号,则采用零MODEM方式的标准连接方法,其通信双方信号线介绍如下1-2-3-4-5顺序所演示的那样。
无Modem的标准联线(7线制)如图所示:
从中可以看出,RS-232C接口标准定义的所有信号线都用到了,并且是按照DTE和DCE之间信息交换协议的要求进行连接的,只不过是把DTE自己发出的信号线送过来,当作对方DCE发来的信号,因此,又把这种连接称为双叉环回接口。
双方的握手信号关系如下(注:甲方乙方并未在图中标出):
(1)当甲方的DTE准备好,发出DTR信号,该信号直接联至乙方的RI(振铃信号)和DSR(数传机准备好)。即只要甲方准备好,乙方立即产生呼叫(RI)有效,并同时准备好(DSR)。尽管此时乙方并不存在DCE(数传机)。
(2)甲方的RTS和CTS相连,并与乙方的DCD互连。即:一旦甲方请求发送(RTS),便立即得到允许(CTS),同时,使乙方的DCD有效,即检测到载波信号。
(3)甲方的TXD与乙方的RXD相连,一发一收。

javascript:window.open(this.src);" style="cursor: pointer;"/>

javascript:window.open(this.src);" style="cursor: pointer;"/>

javascript:window.open(this.src);" style="cursor: pointer;"/>