怀念旧版

 有事您Q我  点击这里给我发消息  点击这里给我发消息  点击这里给我发消息

      

首页 | 教学管理 | 阳光概况 | 成功学子 | 就业导航 | 技术园地 | 精锐师资 | 技术专业 | 学子心声 | 招生资讯 | 阳光资讯 | 函授教学
 
射极耦合双稳态电路
 
 

一、工作原理

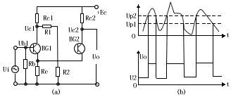
图一为射极耦合电路。它也是由两级反相器组成的正反馈电路,第一级到第二级采用集基耦合,第二级到第一级是通过射极电阻Re耦合。通常用射极耦合双稳态电路做整形电路,脉冲幅度甄别电路,示波器用它做闸门信号源等,它依靠输入幅度进行转态。
工作原理:设输入ui如图一(b)示,当ui=0时,电路处于BG1截止,BG2导通的稳定状态。这时输出电压为:uo=u2=Ec-(ue2/Re)Rc2
当ui=up2=uc2+0.5伏(硅管由截止进入放大的阀门电压),称up2为动作电压,则电路在ui作用下,产生下述正反馈过程:

javascript:window.open(this.src);" style="cursor: pointer;"/>

这种雪崩式反应,瞬间使BG1导通,BG2截止。因ic1>ic2,所以当ui回到Up2值时,电路仍不转变,只有当ui=up1(释放电平)时,由于BG1退出饱和,又产生下述正反馈过程:

javascript:window.open(this.src);" style="cursor: pointer;"/>

瞬间使BG1截止、BG2导通,以后就按上述过程周而复始进行,所以把幅度不规则的输入波形整形为等幅的矩形波。两次翻转电平不相等的现象,称为回差现象,回差量≈up2-up1。回差量是否需要量多少?应由具全情况而定。
回差的影响与回差的调整
如果输入信号有干扰,则用回差量排除干扰。图2(a)(b)中给出回差合适与不合适所得到的波形uo″和uo′。由图可见,当回差合适时,输出uo″为方波电压;反之,当回差不合适时,输出uo′ 或受干扰影响[如图2(a),或者uo′只变化一次就固定在某一电平上(如图2(b)也就是说电平不起到整形的作用
调整回差量的方法如下:
(1)增大Rc1,可使回差量增加。或调节Rc1/(R1+R2)之比值,比值越小,回差量越小。
(2)如图2(C)电路加入RE1可使UP1增加,从而使回差减小;或如图2(d)电路加入RE2,可使Ic2减小从而使Up2减小,缩小回差。但这种方法会削弱正反馈作用而降低翻转速度,如在RE1或RE2并联一只小电容,就可避免这种影响。

javascript:window.open(this.src);" style="cursor: pointer;"/>
图1射极耦合双稳态电路

javascript:window.open(this.src);" style="cursor: pointer;"/>
图2、回差的影响

二、射极耦合双稳态电路的设计

射极耦合双稳态电路的设法地见表一

表一

射极耦合双稳态电路的设计

要求

(1)输出幅度Um>6V
(2)工作频率f=100kHz
(3)触发器用作整形电路,负载射极跟随器

步骤

计算公式

计算实例(图3)

选择晶体管

从要求的工作频率或输出脉冲前沿特性考虑

因要求输出脉冲前沿特性好,故选用3DK2,βmin=30

确定RC值

为提高稳定性,晶体管应工作于饱和状态,则Ic取
Ic=[(1/3)-(1/2)]Icm
Rc=(Ec-Uomin)/Ic

∵用于整形电路,主要考虑工作稳定性,故选
Ic=1/3Icm=1/3×30=10mA
Ec选用系列稳定电源值为12V,设输出 低电平Uomin=3V
∴Rc=(12-3)/(10×10javascript:window.open(this.src);" style="cursor: pointer;"/>)=900Ω

计算RB,RK

为使BG2可靠地饱和,RB应选得较大,通常取IRB=(0.2-1)I


但是为了减小回差,BG2导通时,应工作于线性放大区,应取IRB=(5-10)Ib2
Ib2min=Ic2/βmin,取2Ib2min为实际基极电流,根据公式:
RB=(UE2+Ubes)/IRB及Rk=[(EC-Ube)/(IRB+Ib2)]-RC

主要考虑工作稳定性,令BG2工作于饱和状态,故选IRB=0.5Ib2
Ib2min=10/30=0.33mA,Ib2=2×0.33=0.66mA
IR=0.5×0.66=0.33mA
RB=(UE2+Ubes)/IRb=(2.7+0.7)/0.33=10.3k
现选RB=12k
∴Rk=[(12-3.4)/(0.33+0.66)]-1=7.7k
现选Rk=7.5K

选择R1、R2

为了能连续调节触发电平大小,BG1的基极应接入外偏电压,为使BG1工作于饱和状态,流过R1、R2电流要小些

现选R1=3K,R2=1K,C1=1μF,(R1、R2的具体设计算可参看晶体管分压器的偏置电路)计算结果标在图3电路上

javascript:window.open(this.src);" style="cursor: pointer;"/>
图3、射极耦合双稳态的设计电路

您当前的位置:湖南阳光电子技术学校 -> 技术园地 -> 电子基础知识 -> 文章内容

作者:佚名  来源:不详  发布时间:2009-7-23 14:10:07  发布人:cswok

[] [返回上一页] [打 印] [收 藏]

栏目导航

· 电工焊工园地 · 电视维修园地
· 手机维修园地 · 空调维修园地
· 冰箱维修园地 · 液晶电视维修
· 网络工程园地 · 显示器维修园地
· 笔记本园地 · 数码产品维修园地
· 音响维修园地 · 电子基础知识
· 电脑维修天地 · 综合维修园地

热门文章

· 入学须知
· 2009年收费标准
· 家电维修培训
· 电工培训
· [组图] 学生生活介绍..
· [图文] 就业安置流程..
· 彩显中易损大功率三..
· [组图] 来校路线图
· 湖南阳光电子技术学..
· [图文] 学费是多少,..

推荐图文

首页 阳光概况 技术专业 教学管理 就业导航 成功学子 技术园地 招生资讯 精锐师资 综合讯息

友情连接 - 网站地图 - 学生档案   怀念旧版
网站:
http://www.hnygpx.net   报名电话:0731 - 85579057,  0731 - 85569651
报名信箱:
yp5579@263.net       咨询QQ: 361928696,  873219118 
校址:湖南省长沙市雨花区车站南路红花坡路口(红花坡路176号)