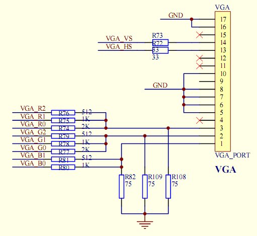
【标准15针VGA接口定义】
1 RED .Red Video (75 ohm, 0.7 V p-p)(红基色信号)
2 GREEN. Green Video (75 ohm, 0.7 V p-p)(绿基色信号)
3 BLUE. Blue Video (75 ohm, 0.7 V p-p)(蓝基色信号)
4 ID2. Monitor ID Bit 2(显示器标识位2,地址码,I2C接口,主机用来查看显示器ID和型号等信息之接口)
5 GND. Ground(地)
6 RGND. Red Ground(红色地)
7 GGND. Green Ground(绿色地)
8 BGND. Blue Ground(蓝色地)
9 KEY-Key. (No pin)(空,没有引脚)
10 SGND. Sync Ground(同步数字地)
11 ID0 . Monitor ID Bit 0(显示器标识位0,地址码,I2C接口,主机用来查看显示器ID和型号等信息之接口)
12 ID1or SDA . Monitor ID Bit 1(显示器标识位1,地址码,I2C接口,主机用来查看显示器ID和型号等信息之接口)
13 HSYNC or CSYNC Horizontal Sync (or Composite Sync)(行同步)
14 VSYNC. Vertical Sync(场同步)
15 ID3or SCL. Monitor ID Bit 3(显示器标识位3,地址码,I2C接口,主机用来查看显示器ID和型号等信息之接口)




(上图1脚和3脚顺序接反)
利用IO口和电阻网络控制VGA像素颜色接口之方法如上图所示,电阻选值计算方法如下:
1:基值电阻=75ohm
2:假设 k 为颜色位数, 高位电阻值为 x ,IO口高电压为 Vio(单位V) ,则计算x之公式为:

3:根据上式可计算出 高位电阻值,由于计算出之值要比75ohm大很多,所以取常用之近似值代替计算出之值即可。次高位电阻值也取近似值,取 高位之2倍,再次高位取次高位之2倍,依次类推计算出所有电阻值