怀念旧版

 有事您Q我  点击这里给我发消息  点击这里给我发消息  点击这里给我发消息

      

首页 | 教学管理 | 阳光概况 | 成功学子 | 就业导航 | 技术园地 | 精锐师资 | 技术专业 | 学子心声 | 招生资讯 | 阳光资讯 | 函授教学
 全国招生免费电话:0731-85579057
维修实例:东芝2988XP彩电故障检修

 维修实例:东芝2988XP彩电故障检修

 [例1] 遥控字符不显示,画中画及其他遥控功能均没有效,图像变暗,颜色失常;但音量、换频道好。
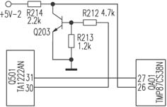
     由于字符不能好显示,电视机之自动测试功能已没有法使用,往往使人感到没有从下手。根据检修经验,应首先修好字符显示,然后再由遥控微处理器QA01(TMP87CS38N)之自动测试功能检查其他故障。依故障现象分析:部分遥控功能有效,说明QA01及其晶体振荡器XA01(TCR1056)基本好,与字符显示有关之电路主要是字符振荡器LB01(TRF1169D)和场、行同步信号。
     用数字万用表测QA01之VSYNC输入端{27}脚电压为3.4V,HSYNC输入端{26}脚为5V,由此怀疑行同步脉冲不好。用示波器观察{26}脚波形,只有微弱之噪波,没有行同步脉冲。由电路图(见附图)可知,行同步信号从Q501{30}脚输出,经Q203放大后送入{26}脚。用示波器观察Q501{30}脚行脉冲好,于是细心察看Q203周围电路元件,发现R212之一端有微小之裂痕,重焊后电视机全部功能恢复好。
     该机彩色解码、亮度、字符显示及画中画电路都用行、场同步脉冲做同步时钟,由于R212虚焊造成行同步脉冲失常而出现此故障。
   [例2] TV输入时主画面没有图像,也没有噪波点;副画面及字符显示好,副画面与主画面交换,*作功能好,但主、副画面交换后,主画面没有图像显示;而视频输入时主画面图像好。
     首先用电视机之自检功能,调整输入为TV状态,先按一下遥控器上之静音键,再按住遥控器之静音键和电视机*作面板上之MENU键,出现检修状态字符“S”后,按一下数字键“9”,进行自动测试后,屏幕上显示出结果:POW项为1,VS01变红色,说明电源和功能性电路出现故障;根据TV输入时主画面没有噪波点(已经关闭蓝色背景功能)和故障代码,初步断定故障发生在主画面之中放电路。
     中放电路H002(MVCM41B)是一个模块,中小城市极难买到,广州市东芝配件供应中心售价高达630元。于是打开H002模块进行检查,感觉Q101(BA7356S)温升略偏高,测Q101{5}脚电压为3.8V(根据电路分析,应为8.5~9V),由此确定,Q101损坏。邮购BA7356S更换后,故障排除。更换时要小心细致,因Q101外围元件都是贴片安装,非常密集。


 

湖南阳光电子技术学校是湖南省首批直属电子技术学校中一所开设电子、电气类专业的学校,是专业技能型紧缺人才培训基地之一。常年面向全国招生(http://www.hnygpx.net   报名电话:0731-85579057   开设的专业有:手机维修培训、家电维修培训、电脑维修培训、网络工程师培训、液晶电视维修培训、电工培训、焊工培训---面向全国火爆招生!)。安置就业。颁发全国通用权威证书。
您当前的位置:湖南阳光电子技术学校 -> 技术园地 -> 电视维修 -> 维修实例:东芝2988XP彩电故障检修
维修实例:东芝2988XP彩电故障检修 由佚名刊于:2010-4-9 9:21:20
文章维修实例:东芝2988XP彩电故障检修 ,版权归原作者所有。凡转载须说明出处!本站个别文章来源于网络,仅供广大师生及电子爱好者参考学习之用。您若对“维修实例:东芝2988XP彩电故障检修”这篇文章有何看法,请您留言,我们会及时进行调整 
[] [返回上一页] [打 印] [收 藏]

 相关网站搜索:

百度中找“维修实例:东芝2988XP彩电故障检修”的内容

GOOGLE中找“维修实例:东芝2988XP彩电故障检修”的内容

YAHOO中找“维修实例:东芝2988XP彩电故障检修”的内容

SOSO中找“维修实例:东芝2988XP彩电故障检修”的内容

中搜中找“维修实例:东芝2988XP彩电故障检修”的内容

搜狗中找“维修实例:东芝2988XP彩电故障检修”的内容

栏目导航

· 电工焊工 · 电视维修
· 手机维修 · 空调维修
· 冰箱维修 · 液晶电视
· 网络工程 · 显示器
· 笔记本 · 数码产品
· 音响维修 · 电子基础
· 电脑维修 · 综合维修
技术专业 
· 焊工培训
· 电工培训 + 焊工培训
· 手机维修培训
· 家电维修培训
· IT通讯维修专业
· 电脑电器维修专业
· 家电通讯维修专业
· 精锐电子维修专业
· 液晶电视维修培训
· 制冷维修培训|空调冰箱维修培..
· 模具设计培训
· 网络工程师培训
新文章
· 接地电阻测试()
· 笔式电容表
· 电容电感表()
· 30kV 3nF高压电容()
· EC42磁芯 立式骨架()
· 常见集成电路封装图 集成电路..
· 电烙铁
· 铝箱
· 示波器探头
· 长虹背投常见故障检修一

热门文章

· 入学须知
· 2010年收费标准
· 家电维修培训
· [组图] 学生生活介绍..
· [图文] 就业安置流程..
· 电脑电器维修专业
· [组图] 来校路线图
· 家电通讯维修专业
· 精锐电子维修专业
· 报考电工证、焊工证..

推荐图文

首页 阳光概况 技术专业 教学管理 就业导航 成功学子 技术园地 招生资讯 精锐师资 综合讯息
  友情链接                 申请友情链接
家电维修学校 | 家电维修培训 | 电脑维修培训学校 | 湖南手机维修培训学校 | 电子技术学校 | 电子学校 | 电子维修学校 | 湖南电工焊工培训学校 | 笔记本电脑维修培训 | 显示器维修培训 | 手机维修培训 | 手机维修学校 | 电脑学校 | 电子技术学校 | 电子维修学校 | 湖南电脑培训学校 | 湖南计算机培训 | 湖南计算机维修学校 | 电脑组装与维护培训 | 网络工程师培训 | 主板维修培训 | 硬盘维修培训 | 电工焊工培训 | 液晶电视维修培训 | 彩电维修培训 | 冰箱空调维修培训 | 制冷维修培训

友情连接 - 网站地图 - 学生档案   怀念旧版
网站:
http://www.hnygpx.net   报名电话:0731 - 85579057,  0731 - 85569651
报名信箱:
yp5579@263.net       咨询QQ: 361928696,  873219118 
校址:湖南省长沙市雨花区车站南路红花坡路口(红花坡路176号)