有事您Q我  点击这里给我发消息  点击这里给我发消息  点击这里给我发消息

      

首页 | 教学管理 | 阳光概况 | 成功学子 | 就业导航 | 技术园地 | 精锐师资 | 技术专业 | 学子心声 | 招生资讯 | 阳光资讯 | 函授教学
 
用NE5532制作优质前放
 
 用NE5532制作优质前放
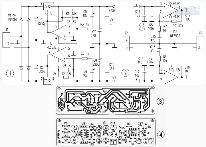
用LM3886制作了一款功放电路,在用学校DVD机试听时,总感到声音效果不如人意,响度也达不到标称功率效果。虽经多次调整电路参数(**括提升了电源电压),但收效甚微。后来看到有关刊物介绍LM3886放大倍数偏小,需要有足够幅度的激励信号,才能收到较好的效果。为此,笔者选用“运放之星”NE5532制作了一款前置放大电路加在功放输入端,再次试听,音效、响度明显得到了改善。现将制作的前放电路介绍如下:
图1为前放电路的直流伺服电源电路,给前放电路提供稳定的±12V电源。稳压电路采用三端集成稳压块,并且使用一片NE5532构成伺服电路,实现对输出电压的实时跟踪与调整。图2为前置放大电路,电路采用了“运放之星”NE5532构成同相比例运算放大电路,其放大倍数为5倍左右(主要由R9、R7、R10、R8决定),C15、C16在电路中具有提升高音频信号的作用。J1接环变的双12V输出端,J2为信号输入端,J3为信号输出端(接功放输入端)。
图3为印刷电路板图,图4为元件布置图。具体安装时,可将此电路板安装在功放箱中靠近背面的附近。通孔,并经过J2(双信号插座)接音源。
本电路也适用于其他音源幅值较小的组合系统作为功放的前置放大。javascript:var zoom=parseInt(this.style.zoom, 10)||100;zoom+=event.wheelDelta/12;if (zoom>0) this.style.zoom=zoom+'%';return false;" title="按此在新窗口浏览图片" src=/article/UploadPic/2009-6/2009614162333565.jpg>
javascript:var zoom=parseInt(this.style.zoom, 10)||100;zoom+=event.wheelDelta/12;if (zoom>0) this.style.zoom=zoom+'%';return false;" title="按此在新窗口浏览图片" src=/article/UploadPic/2009-6/2009614162334776.jpg>

您当前的位置:湖南阳光电子技术学校 -> 技术园地 -> 电视维修园地 -> 文章内容

作者:佚名  来源:不详  发布时间:2009-6-14 16:23:33  发布人:cswok

[] [返回上一页] [打 印] [收 藏]

栏目导航

· 电工焊工园地 · 电视维修园地
· 手机维修园地 · 空调维修园地
· 冰箱维修园地 · 液晶电视维修
· 网络工程园地 · 显示器维修园地
· 笔记本园地 · 数码产品维修园地
· 音响维修园地 · 电子基础知识
· 电脑维修天地 · 综合维修园地

热门文章

· 入学须知
· 2009年收费标准
· 长虹彩电维修案例和..
· 电工培训
· 家电维修培训
· 彩显中易损大功率三..
· 手机维修培训
· [图文] 学费是多少,..
· 湖南阳光电子技术学..
· 数字双钳相位伏安表..

推荐图文

首页 阳光概况 技术专业 教学管理 就业导航 成功学子 技术园地 招生资讯 精锐师资 综合讯息

友情连接 - 网站地图 - 学生档案
网站:
http://www.hnygpx.net   报名电话:0731-5579057 0731-5569651
报名信箱:
yp5579@263.net       咨询QQ: 361928696,  873219118 
校址:湖南省长沙市雨花区车站南路红花坡路口(红花坡路176号)