怀念旧版

 有事您Q我  点击这里给我发消息  点击这里给我发消息  点击这里给我发消息

      

首页 | 教学管理 | 阳光概况 | 成功学子 | 就业导航 | 技术园地 | 精锐师资 | 技术专业 | 学子心声 | 招生资讯 | 阳光资讯 | 函授教学

学校地址:湖南省 长沙市 雨花区 车站南路红花坡路口
来校路线:长沙火车站售票厅后坪,乘135路公交车到“红花坡站”,即到.
学校电话:
0731-85579057,13308461099
免费电话:0731-85579057
值班手机:
(0)13807313137 杨老师
开课时间:我校常年面向全国招生,月月开班。每月1号,16号开学。
招生范围:凡年满15岁的公民,不限年龄,性别,地区。都欢迎来我校学习。
食宿问题:
学校免费介绍住宿,免费提供床上用品。学校食堂就餐,费用自理,约12元/天。
学校官网:www.hnygpx.net www.410014.com
专业介绍:欢迎查看我校专业课程!
收费标准:欢迎查看我校收费标准!
在线 Q Q:您想咨询招生情况,请联系我啊·您想咨询招生情况,请联系我啊
网上报名:欢迎您报读湖南阳光电子学校!


 全国招生免费电话:0731-85579057
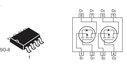
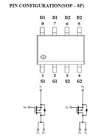
集成电路介绍:4953芯片脚位定义

 集成电路介绍:4953芯片脚位定义

 

APM4953K


CEM4953A


GSS4953BDY


SI4953ADY


SPP4953A




LED上所用之4953管脚定义都是相同之,只是生产厂商不一样。

 

湖南阳光电子技术学校是湖南省首批直属电子技术学校中一所开设电子、电气类专业的学校,是专业技能型紧缺人才培训基地之一。常年面向全国招生(http://www.hnygpx.net   报名电话:0731-85579057   开设的专业有:手机维修培训、家电维修培训、电脑维修培训、网络工程师培训、液晶电视维修培训、电工培训、焊工培训---面向全国火爆招生!)。安置就业。颁发全国通用权威证书。
您当前的位置:湖南阳光电子技术学校 -> 教学管理 -> 维修资料
本文刊于:2010-4-8 11:12:10
本文版权归原作者所有。湖南阳光电子技术学校整理发布,仅供广大师生及电子爱好者参考学习之用。凡转载须说明出处!您若对这篇文章有何看法,请您留言,我们会及时进行调整 
[] [返回上一页] [打 印] [收 藏]

 相关网站搜索:

百度中找“集成电路介绍:4953芯片脚位定义”的内容

GOOGLE中找“集成电路介绍:4953芯片脚位定义”的内容

栏目导航

· 校园生活 · 学校制度
· 教学管理 · 维修资料
技术专业 
· 电工培训
· 焊工培训
· 电工培训 + 焊工培训
· 手机维修培训
· 家电维修培训
· IT通讯维修专业
· 电脑电器维修专业
· 家电通讯维修专业
· 精锐电子维修专业
· 液晶电视维修培训
· 制冷维修培训|空调冰箱维修培..
· 模具设计培训
· 网络工程师培训
新文章
· 彩显行激励电路精讲精修
· 修理彩电拆板维修经验
· 康佳T2528H彩电CPU输出端的检..
· 彩电奇异故障:开机后一个小..
· A3机芯无彩色检修方法
· 彩电的维修方法
· I2C总线彩电遥控系统关键检测..
· 佳丽彩29寸图象正常但是没有..
· 韩国KD29M03在一次遭遇感应雷..
· 部份彩电CPU主要功能端子速查..

热门文章

· 入学须知
· 2010年收费标准
· [图文] 笔记本小键盘..
· 家电维修培训
· 电脑电器维修专业
· 我的电脑图标不见了..
· [组图] 学生生活介绍..
· 彩电高压**打火的如..
· [图文] 就业安置流程..
· [组图] 来校路线图

推荐图文

首页 阳光概况 技术专业 教学管理 就业导航 成功学子 技术园地 招生资讯 精锐师资 综合讯息
  友情链接                 申请友情链接
家电维修学校 | 家电维修培训 | 电脑维修培训学校 | 湖南手机维修培训学校 | 电子技术学校 | 电子学校 | 电子维修学校 | 湖南电工焊工培训学校 | 笔记本电脑维修培训 | 显示器维修培训 | 手机维修培训 | 手机维修学校 | 电脑学校 | 电子技术学校 | 电子维修学校 | 湖南电脑培训学校 | 湖南计算机培训 | 湖南计算机维修学校 | 电脑组装与维护培训 | 网络工程师培训 | 主板维修培训 | 硬盘维修培训 | 电工焊工培训 | 液晶电视维修培训 | 彩电维修培训 | 冰箱空调维修培训 | 制冷维修培训

友情连接 - 网站地图 - 学生档案- 关于收录
网站:
http://www.hnygpx.net   报名电话:0731 - 85579057,  0731 - 85569651
报名信箱:
yp5579@263.net       咨询QQ: 361928696,  873219118 
校址:湖南省长沙市雨花区车站南路红花坡路口(红花坡路176号)